JWJ型万向铰链补偿器
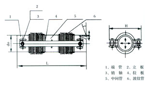
产品简介jwj型万向铰链补偿器又叫万向铰链波纹伸缩节,万向铰链不锈钢波纹伸缩节。型号:本厂生产万向铰链不锈钢波纹伸缩节dn100-dn6000,压力级别0.1mpa-2.5mpa波纹伸缩节连接方式:①法兰连接式②接管连接式产品横向补偿量:±2-±9。设计温度-20~+400℃ 产品代号 jwj、jjh 波纹管型式 连接型式 压力-通径-补偿量 …
“与您相遇,绝非偶然”,非常感谢您能在互联网浩瀚的信息中点击进入“亚丰”官方网站,如果能为您提供【JWJ型万向铰链补偿器】方面的技术服务,将是亚丰人的荣幸!接下来您将看到的是亚丰JWJ型万向铰链补偿器技术为您准备的JWJ型万向铰链补偿器的技术信息,希望对您的选择能有帮助!
产品简介
JWJ型万向铰链补偿器又叫万向铰链波纹伸缩节,万向铰链不锈钢波纹伸缩节。型号:本厂生产万向铰链不锈钢波纹伸缩节DN100-DN6000,压力级别0.1MPa-2.5MPa波纹伸缩节连接方式:①法兰连接式②接管连接式产品横向补偿量:±2-±9。
![]() |
|
| 设计温度-20~+400℃ 产品代号 JWJ、JJH 波纹管型式 连接型式 压力-通径-补偿量 | |
![]() |
|
![]() |
实实在在做产品,心无旁骛搞企业 !在制造业进入到智能化的今天,工匠精神并不过时,它的本质是自发专心致志地做事。河南亚丰管道设备制造有限公司多年来兢兢业业、心无旁骛,坚守在给水排水、污水处理厂、电力冶金、城建、石油化工、环保等行业供水管道领域,在JWJ型万向铰链补偿器等产品上一点点打磨“匠师”级人才!不忘初心,未来可期!亚丰人愿与您携手共同实现伟大中国梦!
留言咨询
感谢您访问河南亚丰管道设备制造有限公司网站,如果您对我们的“JWJ型万向铰链补偿器”感兴趣,或者在“JWJ型万向铰链补偿器”的使用过程中有什么问题和建议,可以拨打我们的客服电话:037188132050, 当然您也可以在下面给我们留言,我们将在更快时间处理您的反馈意见!
联系我们
地址:河南省郑州市巩义市西村镇工业园区
服务热线:18237199974
手机:037188132050
邮箱:1216615621@qq.com











